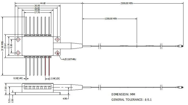
உயர் சக்தி 1653.7nm லேசர் தொகுதி துணை கேரியரில் சிப் கொண்ட ஒரு பிளானர் கட்டுமானத்தைப் பயன்படுத்துகிறது. உயர் பவர் சிப் ஒரு எபோக்சி இல்லாத மற்றும் ஃப்ளக்ஸ் இல்லாத 14-பின் பட்டாம்பூச்சி பேக்கேஜில் ஹெர்மெட்டிக் முறையில் சீல் செய்யப்பட்டு, பொருத்தப்பட்டுள்ளது. உயர்தர லேசர் செயல்திறனைப் பாதுகாக்க தெர்மிஸ்டர், தெர்மோஎலக்ட்ரிக் கூலர் மற்றும் மானிட்டர் டையோடு. மீத்தேன் வாயுவைக் கண்டறிவதற்கான 1653nm 40mW BTF லேசர் டையோடு டெல்கார்டியா GR-468 தகுதிபெற்றது மற்றும் RoHS உத்தரவுகளுக்கு இணங்குகிறது.
உயர் சக்தி 1653.7nm லேசர் தொகுதி துணை கேரியரில் சிப் கொண்ட ஒரு பிளானர் கட்டுமானத்தைப் பயன்படுத்துகிறது. உயர் பவர் சிப் ஒரு எபோக்சி இல்லாத மற்றும் ஃப்ளக்ஸ் இல்லாத 14-பின் பட்டாம்பூச்சி தொகுப்பில் ஹெர்மெட்டிக் முறையில் சீல் செய்யப்பட்டு, உயர்தர லேசர் செயல்திறனைப் பாதுகாக்க தெர்மிஸ்டர், தெர்மோஎலக்ட்ரிக் கூலர் மற்றும் மானிட்டர் டையோடு பொருத்தப்பட்டுள்ளது. எங்கள் லேசர் தயாரிப்புகள் டெல்கார்டியா GR-468 தகுதி வாய்ந்தவை மற்றும் RoHS உத்தரவுகளுக்கு இணங்குகின்றன.
● தொழில்துறை-தரமான 14-பின் பட்டாம்பூச்சி தொகுப்பு;
● உள்ளமைந்த TEC மற்றும் ஆப்டிகல் ஐசோலேட்டர்;
● உயர் செயல்திறன், மல்டிகுவாண்டம் வெல் (MQW) விநியோகிக்கப்பட்ட பின்னூட்டம் (DFB) லேசர்.
● வாயு கண்டறிதலுக்கான செயலற்ற கூறுகளின் உற்பத்தி சோதனை;
● ஃபைபர் வாயு கண்டறிதல் அமைப்பு;
● லேசர் ஆதாரங்கள்.
| அளவுரு | சின்னம் | நிபந்தனை | குறைந்தபட்சம் | தட்டச்சு செய்யவும். | அதிகபட்சம். | அலகு |
| மைய அலைநீளம் | எல்சி | Tl = 15 ~ 35 ℃ qu | 1652.7 | 1653.7 | 1654.7 | nm |
| ஆப்டிகல் வெளியீட்டு சக்தி | பிறகு | CW | - | 40 | - | மெகாவாட் |
| எல்டி த்ரெஷோல்ட் மின்னோட்டம் | ITH | CW | - | 15 | 40 | எம்.ஏ |
| எல்டி முன்னோக்கி மின்னோட்டம் | என்றால் | Pf = மதிப்பிடப்பட்ட சக்தி | - | 300 | 400 | எம்.ஏ |
| ஆப்டிகல் தனிமைப்படுத்தல் | - | -10 < TC < +70℃ | 30 | - | - | dB |
| பக்க-முறை அடக்க விகிதம் | எஸ்எம்எஸ்ஆர் | CW | 35 | 40 | - | dB |
| பொறுப்பை கண்காணிக்கவும் | தடுப்பூசி | - | - | 1 | 20 | இருந்தது / மெகாவாட் |
| பதிலளிப்பு நிலைத்தன்மையை கண்காணிக்கவும் | - | - | - | - | 20% | - |
| இருண்ட மின்னோட்டத்தை கண்காணிக்கவும் | ஐடி | VPD = 5V | - | - | 50 | nA |
| TEC மின்னோட்டம் | ITEC | வழக்கு =75℃ | - | - | 2 | A |
| TEC மின்னழுத்தம் | VTEC | வழக்கு =75℃ | - | - | 3.5 | V |
| TEC மின் நுகர்வு | P | Tstg =25℃ | - | - | 5 | W |
| தெர்மிஸ்டர் எதிர்ப்பு | Rth | வழக்கு =75℃ | 9.5 | 10 | 10.5 | கோம் |
| தெர்மிஸ்டர் பி மாறிலி | Bth | Tstg =25℃ | - | 3900 | - | K |
| அலைநீள சறுக்கல் (EOL) | △λ | 25 வருட வாழ்நாளில் சோதிக்கப்பட்டது | - | - | ± 0.1 | nm |
| அலை. வெப்பநிலை குணகம் | Dl/Dt | TEC வெப்பநிலை 15℃ முதல் 35℃ வரை | - | 0.09 | - | nm/℃ |
| அலைநீளம் தற்போதைய குணகம் | Dl/DI | - | - | 0.01 | - | NM / in |

அனைத்து தயாரிப்புகளும் ஷிப்பிங் செய்வதற்கு முன் சோதிக்கப்பட்டன;
அனைத்து தயாரிப்புகளுக்கும் 1 வருட உத்தரவாதம் உண்டு.(தர உத்தரவாதக் காலத்திற்குப் பிறகு பொருத்தமான பராமரிப்பு சேவைக் கட்டணம் வசூலிக்கத் தொடங்கியது.)
உங்கள் வணிகத்தை நாங்கள் பாராட்டுகிறோம் மற்றும் உடனடி 7 நாட்கள் ரிட்டர்ன் பாலிசியை வழங்குகிறோம். (பொருட்களைப் பெற்ற 7 நாட்களுக்குப் பிறகு);
எங்கள் கடையில் இருந்து நீங்கள் வாங்கும் பொருட்கள் சரியான தரத்தில் இல்லை என்றால், உற்பத்தியாளர்களின் விவரக்குறிப்புகளுக்கு மின்னணு முறையில் வேலை செய்யவில்லை என்றால், அவற்றை மாற்றுவதற்கு அல்லது பணத்தைத் திரும்பப் பெறுவதற்கு எங்களிடம் திருப்பித் தரவும்;
பொருட்கள் குறைபாடுடையதாக இருந்தால், டெலிவரி செய்யப்பட்ட 3 நாட்களுக்குள் எங்களுக்குத் தெரிவிக்கவும்;
பணத்தைத் திரும்பப் பெறுவதற்கு அல்லது மாற்றுவதற்குத் தகுதிபெற, ஏதேனும் உருப்படிகள் அவற்றின் அசல் நிலையில் திரும்பப் பெறப்பட வேண்டும்;
அனைத்து கப்பல் செலவுக்கும் வாங்குபவர் பொறுப்பு.
கே: அலைநீளத்தின் துல்லியம் என்ன?
A: +/-0.5nm.
கே: வெளியீட்டு சக்தியின் பிற பதிப்புகள் உங்களிடம் உள்ளதா?
A: 10mW, 15mW, 50mW.
சி-பேண்ட் நேரோ லைன்விட்த் ஒருங்கிணைந்த டியூனபிள் லேசர் அசெம்பிளி ITLA
1550nm 40mW 200Khz குறுகிய கோடு அகல DFB பட்டர்ஃபிளை லேசர் டையோடு
1550nm 40mW 600Khz DFB பட்டர்ஃபிளை பேக்கேஜ் குறுகிய கோடு அகல லேசர் டையோடு
1550nm 50mW 100Khz குறுகிய கோடு அகல DFB பட்டர்ஃபிளை லேசர் டையோடு
1550nm 2mW 5mW குறுகிய கோடு அகல கோஆக்சியல் லேசர் டையோடு
SM/PM ஃபைபருடன் 1550nm 100mw 100kHz குறுகிய வரி அகலம் DFB லேசர் டையோடு BTFபதிப்புரிமை @ 2020 ஷென்சென் பாக்ஸ் ஆப்ட்ரோனிக்ஸ் தொழில்நுட்ப நிறுவனம், லிமிடெட் - சீனா ஃபைபர் ஆப்டிக் தொகுதிகள், ஃபைபர் இணைந்த ஒளிக்கதிர்கள் உற்பத்தியாளர்கள், லேசர் கூறுகள் சப்ளையர்கள் அனைத்து உரிமைகளும் பாதுகாக்கப்பட்டவை.